Almazı gümüşlə boyama üsulu təklif olunub
Viskonsin-Medison Universitetindən Şuo Li aydınlaşdırıb ki, almaz lentinə mikroskopik qalınlıqda çəkilmiş gümüş nanohissələri onun rəngini dəyişə bilər. Həm də o bu konstruksiyanı stabil etməyi bacardı.
Boyanmış almazlar ona görə ən müxtəlif müasir texnologiyalarda faydalı ola bilər ki, rəng onlara daha çox işıq enerjisi udmağa imkan verir ki, bu da öz növbəsində sadə maddəyə (almaz - karbondur) özünün gizli özəlliyini göstərməyə imkan verə bilər.
Amma şəffaf almazda işığın udulması ülgüc qalınlığında olan lentlərdə xüsusilə çətin ola bilər.
Viskonsin-Medison Universitetinin doktorantı Şou Li gümüşün nanohissələrinin ölçüsünü dəyişmədən almaz lentinin son rəngini nəzarətdə saxlamağı öyrənib. Ondan asılı olaraq, lentlər yaşıl, firuzəyi və s. rəngdə olub.

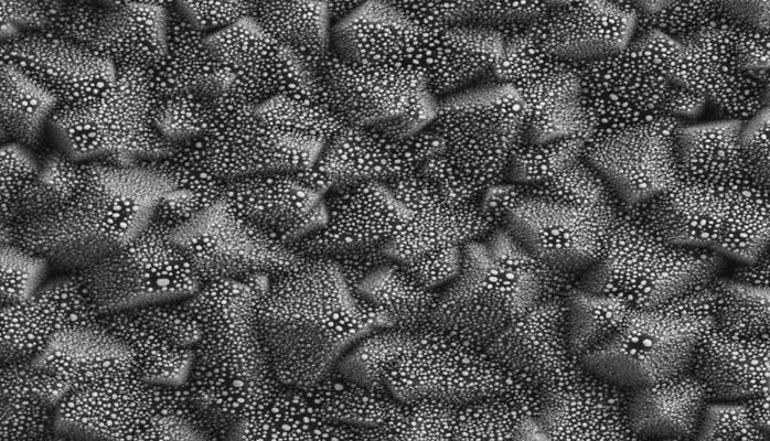
Almaz lentinin səthində gümüş nanohissələri
Almaz lentlərin gümüşlə boyanması ilə əlaqədar əsas problem ondan ibarət idi ki, kifayət qədər yüksək temperaturda gümüş əriyirdi və strukturu itirərək axırdı. Yüksək temperatur isə almaz lentlərin formalaşması zamanı qaçılmazdır.
Aydın oldu ki, bu problem almaz lentinin hidrogen atmosferə yerləşdirilməsi ilə həll olunur.
Mənbə: Popmech.ru




Şərhlər
Şərhləri göstər Şərhləri gizlət